-
Mega2560에 LTE-CATM1 내장형 모뎀 연결하기조립 & 하드웨어 2021. 12. 28. 19:40

Mega2560 + LTE-CATM1 내장형모뎀 LTE-CATM1 내장형 모뎀을 사용하시는 개발자분에게 Mega2560 보드를 어떻게 연결해야 하는지
문의를 받아서 사용하기 위한 방법을 간단히 정리해 보았습니다.
LTE-CATM1 내장형 모뎀은 쉴드에 연결된 상태입니다.
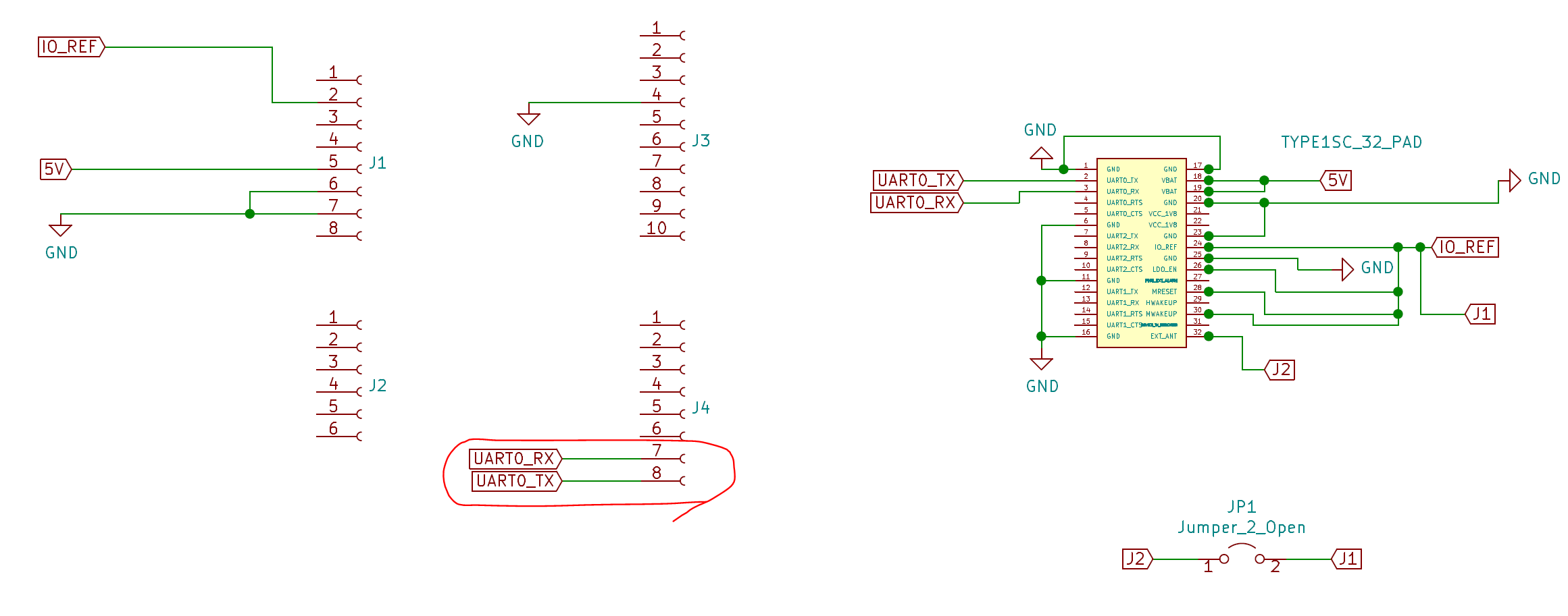
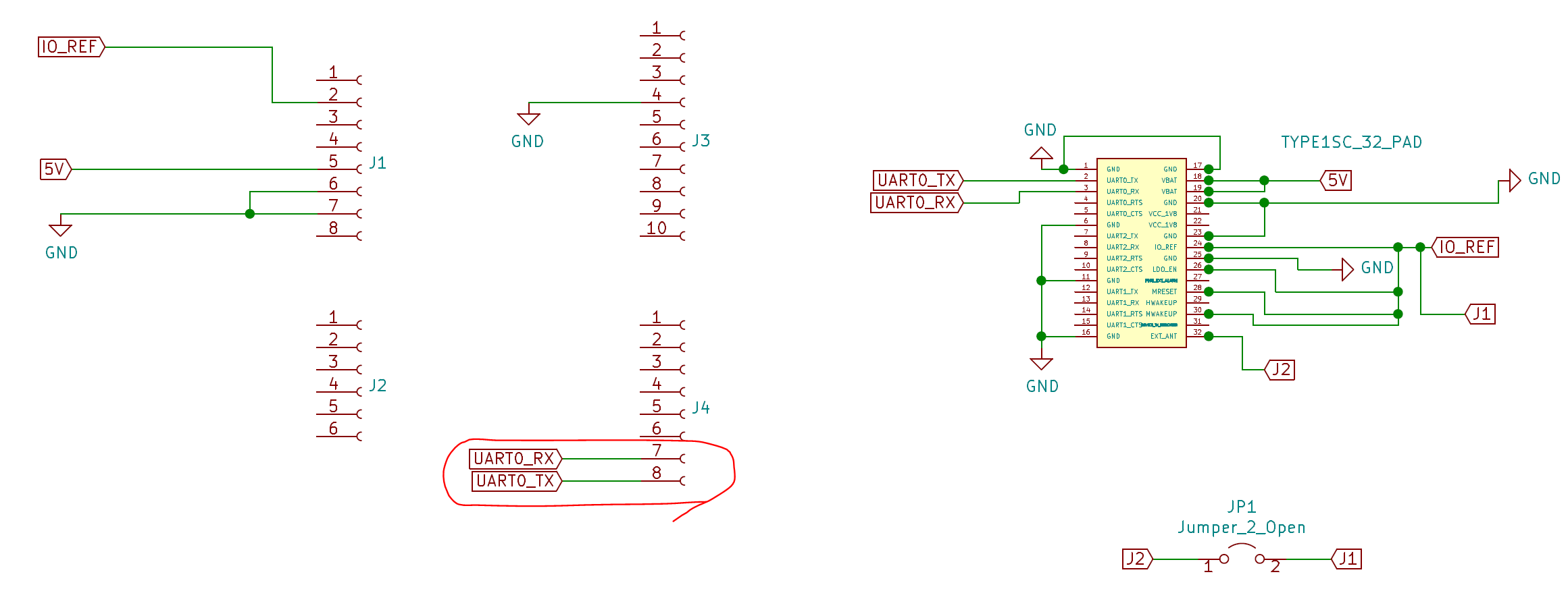
이 상태에서 회로를 보면 LTE-CATM1 모듈의 TX, RX핀이 각각 쉴드의 0번, 1번 핀에 연결되어 있습니다.

쉴드 확장보드 회로 이미지 (https://github.com/codezoo-ltd/TYPE1SC/blob/main/schematics_dimension/expansion_schematics.pdf) 따라서 그대로 연결 할 경우 Mega2560 보드의 디버그 시리얼을 사용할 수 없습니다.
그래서 부득이하게 아래와 같이 쉴드확장보드 0번과 1번 핀을 연결되지 않도록 구부렸습니다.

쉴드확장보드 0,1번핀 구부린 이미지 (좌측 상단 참조) 이렇게 하신 후 Mega2560보드와 결합 후 0번 핀은 RX1에 연결하고 1번 핀은 TX1에 연결합니다.

점퍼선으로 연결한 이미지 (상단면) 
점퍼선으로 연결한 이미지 (측면) 이렇게 연결하면 하드웨어 연결은 마무리 되었습니다.
이제 보드를 변경합니다.

Arduino Mega or Mega 2560 으로 보드 변경 소스코드 예제는 https://github.com/codezoo-ltd/TYPE1SC/tree/main/examples/Arduino_New_Nano
안에 있는 예제를 사용합니다.
예제를 빌드하면 바로 에러가 출력됩니다.
예제 소스코드를 아래와 같이 수정하면 문제가 해결됩니다.
#include "TYPE1SC.h"
#if !defined(__AVR_ATmega4809__)
#elif !defined(__AVR_ATmega2560__)
#else
#include <avr/dtostrf.h>
#endifAtmega4809 또는 ATmega2560을 사용할 경우에는 avr/dtostrf.h 를 추가하지 않는다는 내용입니다.
자 이제 모든 준비가 끝났으니 Arduino Mega2560 보드를 사용하여 예제를 동작시켜 보겠습니다.
예제는 LTE-CATM1에 내장된 AWS-IoT 소프트웨어를 사용하며 AWS-IoT 코어와 통신하는 예제입니다.
Mega2560에 연결된 DHT11센서 온도,습도값을 LTE-CATM1모뎀을 통해 AWS-IoT Core에 10회 연속 전송 (디바이스 시점) Mega2560에 연결된 DHT11센서 온도,습도값을 LTE-CATM1모뎀을 통해 AWS-IoT Core에 10회 연속 전송 (AWS IoT Core 시점) LTE-CATM1 내장형 모뎀 대량 구매 상담, 외주 개발, 협업 문의, vodafone IoT유심 문의
(주)코드주
장병남 대표 010-8965-1323 rooney.jang@codezoo.co.kr
Vodafone Global IoT SIM Card : codezoo
[codezoo] IoT Global SIM, IoT Connectivity, IoT Device
smartstore.naver.com
'조립 & 하드웨어' 카테고리의 다른 글
라즈베리파이 ZERO, 3, 4 연결용 HAT 액세서리 설계 (0) 2022.05.28 테스트 지그(jig) 제작 (0) 2022.03.24 TYPE1SC 국내 통신 3사 CatM1 망 인증 완료 (0) 2021.11.26 외장형 안테나 테스트 (0) 2021.10.26 디바이스마트 판매 시작 (0) 2021.09.15