-
CATM1 내장형 모뎀, shield보드 리비전조립 & 하드웨어 2022. 6. 27. 22:15

CATM1 내장형 모뎀 shield 보드 (현재 판매 중인 제품) CATM1 내장형 모뎀을 좀 더 편리하게 사용하기 위해 Arduino Nano Board(33 IoT, 33 Ble, RP2040, Every)와 쉽게 연결할 수 있도록 나노 확장 보드와, shield 보드를 제공하고 있습니다.
CATM1 내장형 모뎀을 지원하는 ESP32, Raspberry Pi PICO 보드의 경우 추가 액세서리 없이 IOREF, LDO_EN, WAKEUP, RESET을 직접 연결하지만 위 언급한 Arduino Board의 경우 최대한 심플하게 개발환경을 구축하도록 사전에 미리 PCB형태로 연결해 두어서 와이어링 없이 손쉽게 개발을 시작할 수 있도록 기획 후 판매하고 있습니다.
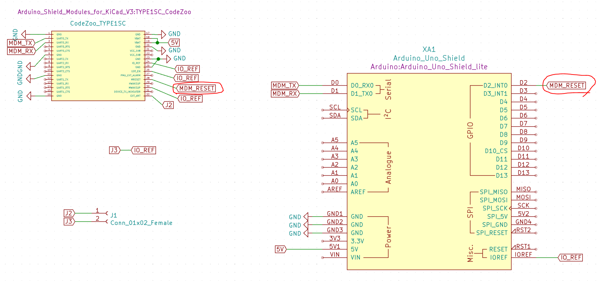
쉴드보드는 Arduino IOREF로 공급되는 IO전압을 모뎀의 IOREF, LDO_EN, RESET, WAKEUP핀에 직접 연결해 두었는데, 개발용으로 사용하기에는 무리가 없지만 해당 shield 보드와 내장형 모뎀을 직접 프로젝트에 투입해서 사용하던 중 아주 가끔씩 모뎀 상태가 이상해져서 직접 전원을 차단해야 하는 경우가 있었다는 유저분의 리포트를 받았습니다.
프로젝트나 실제 개발을 진행하실 경우 제공해드린 회로도를 기반으로 ESP32, Raspberry Pi PICO의 사례처럼 개별적으로 I/O에 연결하도록 구성하는 것이 가장 좋은 방법이지만, shield 보드 리비전을 통해 모뎀의 상태를 외부에서 제어할 수 있도록 개선 작업을 진행하였습니다.

리비전 쉴드보드 회로 new_shield_board_schematics.pdf0.07MB모뎀의 상태이상이 발견될 경우 MCU에서 강제로 리셋할 수 있도록 모뎀의 리셋 핀을 D2(2번) 핀에 연결했습니다. 이제 상태 이상이 감지되면 MCU에서 해당 핀을 제어해서 강제로 리셋할 수 있습니다.
라이브러리에 구현해 놓은 코드는 아래와 같습니다.

Arduino Nano 생성자에서 _reset_pin에 2번핀(D2) 적용 (TYPE1SC/TYPE1SC.cpp) 
AT명령을 보내고 20회가 넘을때까지 OK를 받지 못하면 모뎀 강제 리셋 (TYPE1SC/TYPE1SC.cpp) _reset_pin은 private 변수로 라이브러리 생성 시 _reset_pin을 2번 핀으로 설정합니다.
모뎀 init 함수를 호출하면 AT --> OK를 받아서 모뎀이 정상 동작하는지 확인하는데, 20회까지 응답이 없을 경우, 강제로 모뎀을 리셋하고 다시 AT--> OK를 확인할 수 있도록 구현했습니다.
해당 코드를 참고해서 필요한 부분에 적용하시기 바랍니다.
리비전이 완료된 shield 보드입니다. Modem RESET I/O 연결 외 안테나 감도를 개선하기 위해 PCB 디자인 및 그라운드를 보강하였습니다.

리비전 후 제작한 쉴드보드 
CATM1 내장형 모뎀 연결 사진 (1) 
CATM1 내장형 모뎀 연결 사진 (2) shield 보드 동작을 위해 수정한 코드는 아래 코드주 git에서 바로 확인 및 다운로드하실 수 있습니다.
https://github.com/codezoo-ltd/TYPE1SC/
GitHub - codezoo-ltd/TYPE1SC: Murata TYPE1SC Cat.M1 Arduino Library & example
Murata TYPE1SC Cat.M1 Arduino Library & example. Contribute to codezoo-ltd/TYPE1SC development by creating an account on GitHub.
github.com
리비전 된 shield 보드는 디바이스마트, 메카솔루션 온라인 마켓에서 구매하실 수 있습니다.
LTE-CATM1 내장형 모뎀 대량 구매 상담, 외주 개발, 협업 문의, vodafone IoT유심 문의
(주)코드주
장병남 대표 010-8965-1323 rooney.jang@codezoo.co.krVodafone Global IoT SIM Card : codezoo
[codezoo] IoT Global SIM, IoT Connectivity, IoT Device
smartstore.naver.com
'조립 & 하드웨어' 카테고리의 다른 글
함께하는 마음으로 (with Electric Vehicle) (0) 2022.09.28 CATM1 내장형 모뎀, 매뉴얼 업데이트 (Arduino, ESP32, RPI PICO) (2) 2022.07.14 라즈베리파이 ZERO, 3, 4 연결용 HAT 액세서리 설계 (0) 2022.05.28 테스트 지그(jig) 제작 (0) 2022.03.24 Mega2560에 LTE-CATM1 내장형 모뎀 연결하기 (0) 2021.12.28
