-

절판이 되어 더 이상 나오지 않는 '임베디드 하드웨어 이해와 설계'라는 책이 있습니다.
매 장마다 주옥같은 글들이 실려 있는 훌륭한 책인데, 인상깊게 읽어서 아직도 기억에 남는 문구가 있습니다.
'완전함이란 더 이상 보탤 것이 없는 상태가 아니라 더 이상 뺄 것이 없는 상태를 말한다.' - 생텍쥐베리
흔히 어떤것을 준비할 때 저지르기 쉬운 실수 중 하나는 이것저것 많이 준비하다 보면 그중 한 개라도 맘에
드는 게 있겠지 라는 생각입니다.
메뉴판이 모자랄 정도로 빽빽이 쓰인 다양한 음식, 엄청나게 복잡한 기계, 악센트와 싱코페이션, 변박,
화려함으로 종잡을 수 없는 음악.. 때론 다양함이 답이 될 수도 있습니다.
하지만 이러한 것들에서 답을 찾을 수 없을 때 제 생각을 정리해 준 고마운 글이라 아직도 기억에 남습니다.
코드주에서는 항상 뺄 것이 없는지 불필요한 것이 없는지 중복되는 것이 없는지 여러 번 체크하는 작업을
통해서 원하는 기능을 최대한 단순하고 간결하게 구현하려고 노력하고 있습니다.
이와 같은 노력은 하드웨어 설계도 마찬가지입니다.
이야기를 이전으로 돌려서 전에 보았던 EVM (Evaluation Module) Board를 먼저 살펴보겠습니다.

Murata Type1SC EVM Board 세상에서 제일 작은 LTE Cat.M1 모듈이 부착되었음에도 불구하고 왜 이렇게 보드가 클까요?
의문이 생기실 것 같습니다. 먼저 한번 생각해 보세요... 천천히..
이제 이유를 말씀드리겠습니다.
EVM Board는 Evaluation 영어단어 뜻과 같이 평가를 위해 제작한 보드입니다.
따라서 Type1SC 모듈을 평가하기 위해 Type1SC의 모든 기능이 지원됩니다.
보시면, 좌측 상단에 하늘색의 이어폰을 꼽는 커넥터도 있고,
우측에 다양한 4개의 버튼 (흰색 2, 검은색 2)도 있습니다.
그리고 좌측에 조그만 검은색 IC 칩이 11개 이상 달려 있는 것을 확인하실 수 있습니다.
아래쪽으로는 점퍼를 통해서 설정할 수 있는 두 줄짜리 헤더가 10개나 있습니다.
보드에 확장 핀헤더도 여러 개가 있고, 우측에 내장 안테나도 달려 있고,
우측 상단에는 외장 안테나를 연결할 수 있는 SMA커넥터도 2개나 있고,
좌측 상단에는 USB 커넥터가 2개 있습니다.
Type1SC 모듈의 모든 기능을 평가하고 테스트하기 위해서는 위에 언급한
다양한 하드웨어 부품들을 사용해야 합니다.
하지만,
코드주는 평가 보드를 만드는 게 목적이 아니기 때문에
LTE Cat.M1 통신을 위한 최소한의 부품과 MCU, MPU와 연결하기 위한 외부 인터페이스를
제외한 나머지 기능들은 모두 제거하려고 합니다.
그럼 어떤 문서들을 확인해야 할까요?
참고해야 할 문서들은 아래와 같습니다.
1. Type1SC Data Sheet
2. Type1SC EVK User Guide
3. Type1SC Hardware Design Guide
4. Type1SC Reference Schematic
5. Type1SC EVB Schematic
각각의 문서에 대해서 다시 설명드리겠습니다.
# Data Sheet는 말 그대로 설명서입니다.
Type1SC 모듈에 대한 하드웨어 동작 (Power ON, OFF, 리셋, 부팅시퀀스), Type1SC 모듈 뒷면의
외부 연결핀 (I/O)에 대한 자세한 설명과 모듈의 전기적 특성, 소모 전류, 동작 온도와 기타 필요한
세부 정보들이 있습니다.
# EVK User Guide는 EVM Board 사용자 매뉴얼 입니다.
평가보드를 어떻게 사용해야 하는지에 대한 자세한 설명이 기록되어 있습니다.
# Hardware Design Guide 는 하드웨어를 설계할 때 어떻게 디자인을 해야 하고 어떻게 생산해야 하는지 어떤
구성으로 하드웨어를 제작할 수 있는지에 대한 세부적인 내용과 데이터 시트와 마찬가지로 모듈을 다루는
방법에 대해 하드웨어 디자인 관점에서 설명과 모듈 주변에 어떤 하드웨어로 구성해야 하는지에 대한 내용,
전력 소모량과 같은 측정 결과 데이터도 함께 다루고 있습니다.
# Reference Schematic는 하드웨어 레퍼런스 회로도입니다. Type1SC 모듈 기준으로 그려진 회로도 입니다.
# EVB Schematic 은 EVM Board 회로도 입니다. 회로 설계시 Reference Schematic과 함께 참고합니다.
5가지 문서를 말씀드렸는데, Type1SC 모듈뿐 아니라 다른 모듈로 설계하실 때도
최소 위 5가지 문서를 참고해서 설계하셔야 합니다. Data Sheet에 다뤄지지 않은 모듈 다루는 방법
또는 궁금한 내용이 있으면 기술지원 신청을 해서 해당 정보에 대해 확실하게 이해해야 합니다.
흔히 하드웨어를 외주 개발한다고 해서 관련 내용에 대해서 모두 맡겨버리는 경우가 있는데,
외주로 맡긴다고 해도 위 문서에 대해서는 철저히 정리하고 숙지하고 계셔야 합니다.
항상 하드웨어 개발자와 크로스 체크해야 합니다. 꼭 잊지 마시기 바랍니다.
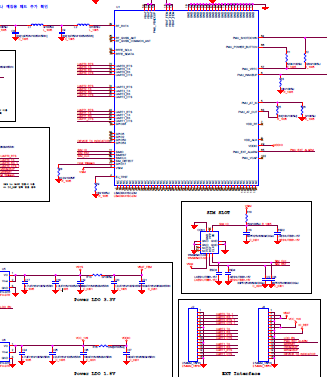
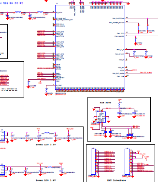
이제 회로 그리기를 시작합니다.

Type1SC Reference Schematic # GND, NC PIN 처리하기
Type1SC의 경우 약 100개 넘는 I/O 핀을 가지고 있는데, 데이터 시트와 레퍼런스 회로도, EVM Board 회로도를
참고해서 Ground로 묶어줘야 하는 핀들, 사용하지 않거나 외부와 연결하지 않아 NC 처리해야 할 핀들을
꼼꼼하게 정리하고 하드웨어 개발자와 여러 번 확인해야 합니다.
# 전원 설계하기
Type1SC 모듈을 동작하기 위한 최대 전류를 데이터 시트를 통해 확인하고 해당 전류 소모량의 약 2배 이상을
제공할 수 있는 Power IC와 주변 부품을 준비합니다. 전원은 USB 또는 다른 보드에서 제공될 수 있으므로
해당 경우의 수를 생각해서 구성해야 합니다.
# 외부 인터페이스
모듈에서 외부 MCU와 연결해서 동작시킬 GPIO, UART를 포함한 다양한 인터페이스를 정의하고
구성해 주어야 합니다.
# RF 회로 설계
통신 모듈에서 가장 중요한 부분으로 내장 또는 외장 안테나와 연결하는 RF 회로를 설계해서 구성해
주어야 합니다. RF 성능이 나오지 않으면 통신사 규격인증을 통과할 수 없으므로 설계 후 테스트하면서
다시 수정할 수 있도록 RF 매칭 회로를 구성해 두어야 합니다.
이렇게 구성을 마무리하면 회로도가 나옵니다. 제대로 부품들이 연결되어 있는지 확인하고,
잘못된 부분은 수정 요청하고 또 의심스러운 부분이 있으면 반드시 물어보고 확인해야 합니다.
회로 리뷰는 반드시 2명 이상 참여해서 최소 2회 이상 진행하실 것을 권합니다.
이제 회로가 그려졌습니다.

New LTE Cat.M1 Schematic 자 이제 아트웍 작업을 진행합니다.
아트웍은 회로도를 기준으로 PCB(Printed Circuit Board) 기판에 실제 배선하고 부품을 배치하는 작업입니다.
LTE Cat.M1 과 같은 통신 보드는 4층 기판 이상을 사용하기 때문에 아트웍이 앞뒷면만 사용하는 2층 기판보다
복잡합니다.
아트웍이 마무리되면 거버 파일 만들 수 있는데, 이 거버 파일로 PCB를 제작할 수 있습니다.
그리고 부품 리스트(BOM List)와 좌표 데이터(PCB에 부품을 실장 할 위치 데이터)도 함께 준비되기 때문에,
Type1SC 모듈과 부품들만 준비되면 실제 동작되는 LTE Cat.M1 모듈을 생산할 수 있습니다.

Type1SC New Design (Design by CodeZoo) 위 모든 작업을 마무리하고 공장에 제품 생산을 맡겼습니다.
기대하는 맘을 품고 기다려 보겠습니다.
첫 번째 생산품의 결과는 어떻게 되었을까요?
다음 글에서 계속 이야기해 드리겠습니다.
LTE-CATM1 내장형 모뎀 대량 구매 상담, 외주 개발, 협업 문의, vodafone IoT유심 문의
(주)코드주
장병남 대표 010-8965-1323 rooney.jang@codezoo.co.krVodafone Global IoT SIM Card : codezoo
[codezoo] IoT Global SIM, IoT Connectivity, IoT Device
smartstore.naver.com
'조립 & 하드웨어' 카테고리의 다른 글
화보 촬영 (0) 2021.09.11 세상에 얼굴을 내밀다 (19) 2021.09.03 삼세번 (0) 2021.07.20 이상과 현실의 차이 (2) 2021.06.28 처음 만났습니다. (6) 2021.06.18
